Guide Followers

Caution
- [Specification Change] The materials and appearance will be changed sequentially starting in July 2025. Some part numbers are not subject to specification changes. Please see here for details. Products before and after the change may be mixed in the same shipment, but there are no problems with use.
- Please check the content on our website as the PDF does not contain the most up-to-date information.
Product Description
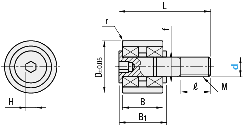
- Guide Followers, GFR series from MISUMI.
- The roller outer diameter can be selected from 10 mm to 19 mm.
- The roller width can be selected from 8.5 mm to 12mm.
- The allowable rotational speed of cam follower can be selectable up to 52000 RPM.
- The material of cam follower is made of SUJ2 for internal part and SUS420 for External part.
- Operating environment temperature is lower than 80℃.

| Application | Type | [ M ]Material | [ A ]Accessory | |
| External Parts | Internal Parts (Bearing) | |||
| General | GFR | SUS420 | SUJ2 Equivalent | Hex Nut 1 pc. (SUS304) |
Example
[ ! ]Operating Temp.: 80°C or lower
