Free Angle Brackets - For 5 Series (Slot Width 6mm) Aluminum Frames

Brand :
MISUMI
Caution
- Please check the content on our website as the PDF does not contain the most up-to-date information.
Product Description
When connecting the frame, it can be connected at any angle. This product cannot be used alone. Please select 2 models for use in combination.
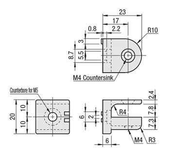
Dimensional Drawing of Angular Brackets

| Angular Brackets Type | [ M ]Angular Brackets Material | [ S ]Surface Treatment |
| HBLTBA20 | ADC12 | - |
| HBLTBBN20 | ||
| Included Screw | SCM435 | Trivalent Chromate |
Specification Table of Angular Brackets
| Part Number |
| HBLTBA20 |
| Part Number | Applicable Extrusion | Mass (g) | Accessory: Hex Socket Flat Head Cap Screw (1 pc.) | Unit Price | Volume Discount Rate |
| 1 ~ 14 pc(s). | 15~50 | ||||
| HBLTBA20 | 20 Square (HFS5) | 10.8 | M4x6 | ||
| HBLTBBN20 |
Alterations of Angular Brackets

[ ! ]Included Screw is not RoHS compliant when -SET□ is specified.
Product Specification Changes of Angular Brackets
The external dimensions of the area in the blue frame will be changed in orders received from September 2024. Angular Brackets Example: HBLTBBN20
| Before improvements | After improvements |
![]() | ![]() |
[Background to the Specification Changes]
The following problems have occurred when using these two products in combination, so improvements have been made.
(1) The head of the flat head bolt protrudes, which causes interference when using the cover panel.
(2) Cannot adjust the Angular Brackets to 180 degrees.
Example: HBLTBBN20
The following problems have occurred when using these two products in combination, so improvements have been made.
(1) The head of the flat head bolt protrudes, which causes interference when using the cover panel.
(2) Cannot adjust the Angular Brackets to 180 degrees.
Example: HBLTBBN20
| Details of the Improvements | Before improvements | After improvements |
| (1) Changed so that the flat head bolt does not protrude from the main unit | ![]() | ![]() |
| (2) Changed so that the Angular Brackets can be adjusted to 180 degrees | ![]() | ![]() |
Example of Use






