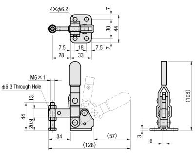
Toggle Clamp, Vertical Type, Flange Base, Clamp Bolt Fixed, Clamping Force 980 N

Brand :
MISUMI
Caution
- Please check the content on our website as the PDF does not contain the most up-to-date information.
- For the purpose of quality improvement, once stock has run out, the connections for the arms will be changed from welding to rivets. Product photos, dimensional drawings and CAD data have been updated to reflect the specifications after changing to rivets.Product photos, dimensional drawings and CAD data have already been updated to reflect the specifications after changing to rivets.
Product Description
[Features]·Vertical clamp with a flange base type that holds the underside.
MC04-7
MC04-S7 (Stainless Steel)

Example of use
