Caster, Light Duty

Caution
Product Description
Caster, Light Duty
The light duty caster is suitable for light load applications. They offer a wide variety of sizes and materials for the wheels to choose from.
[Feature]
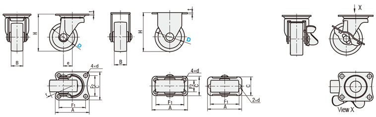
- Caster Type : Fixed, Swivel, Swivel with stopper
- Mounting Height (mm.) : 35, 42, 50, 65, 80 and 90
- Allowable Load Minimum / Maximum (daN) : 8 and 70
- Wheel Diameter (mm.) : 25, 32, 38, 50, 65 and 75
- Wheel Width (mm.) : 12, 14, 17, 20, 25 and 26
- Material:
Wheel - Synthetic Rubber (Black) / Nylon (White) / Urethane (Brown) / FC250 (Gray)
Body - SPHC
[Application]
It is used to enhance mobility for moving objects in a wide range of environments, such as offices, industries and so on
Swivel
Fixed
Swivel with Stopper
CLGJ
CLGK
CLGS
D25·32

| Main Body | Bearing | ||
| [M] Material | [S] Surface Treatment | Swiveling Part | Wheel |
| SPHC | Trivalent Chromate | Provided | Not Provided |