Perforated Metal Sheets - Framed Type

Brand :
MISUMI
Caution
- Due to the amount of data, the CAD data has been omitted, but the actual product has punched holes uniformly within the frame.
Product Description
Can serve as the vent cover, filter or strainer. Have the frame spot-welded to facilitate installation or joint.
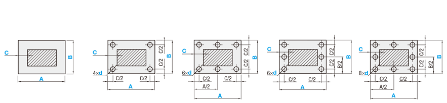
Dimensional Drawing

Dimensional Tolerances Without Command
[ ! ] Compliant with JIS B 0405 Class m (Medium Class).
| Dimension Range | Tolerance (㎜) | |
| Over | or Less | |
| 0.5 | 6 | ±0.1 |
| 6 | 30 | ±0.2 |
| 30 | 120 | ±0.3 |
| 120 | 400 | ±0.5 |
| 400 | 1000 | ±0.8 |

Standard Type
PMSF·PMUF·PMAF
PMAFW·PMAFB
Hole Machined Type
- 4 Holes - 4H
- 6 Holes - 6H
- 6 Holes - 6HV
- 8 Holes - 8H
| Type | Perforated Metal Sheets | Frame | [S] Surface Treatment |
| PMSF | SPCC | SPCC | Nickel Plating |
| PMUF | SUS304 | SUS304 | — |
| PMAF | A1100 | A5052 | — |
| PMAFW | Clear Anodize | ||
| PMAFB | Black Anodize |
[ ! ] It is spot welded and there will be welding marks. Welding locations are arbitrary.
[ ! ] The positional relationship between the frame and the perforated metal hole (D) is random.
[ ! ] Please handle Perforated Metal Sheets with care as some areas are not smooth.
Specifications/Overview
[ ! ]A ≥ B
[!] It is spot welded and there will be welding marks. Welding locations are arbitrary.
[ ! ] Hole positions on frames cannot be specified.
[!] It is spot welded and there will be welding marks. Welding locations are arbitrary.
[ ! ] Hole positions on frames cannot be specified.