AC Motor Rollers - Standard/Waterproof Specification

Brand :
MISUMI
Caution
Product Description
Unlike regular rollers, this conveyor roller has a built-in motor and reducer. Since there is no need to provide a separate motor space, it helps save space in automatic conveyance equipment.
Dimensional Drawing

■ Accessory
(MOR)
·Terminal Metal Fitting ((1)(2)(3))
· (4) Bolt, (5) Spring Washer, (6) Nut (M5, 2 pcs. each)
(MORS)
·Fixing Bracket ((1)), Terminal Box ((2)(3))
· (4) Bolt, (5) Spring Washer, (6) Nut (M5, 2 pcs. each)
(MOR)
·Terminal Metal Fitting ((1)(2)(3))
· (4) Bolt, (5) Spring Washer, (6) Nut (M5, 2 pcs. each)
(MORS)
·Fixing Bracket ((1)), Terminal Box ((2)(3))
· (4) Bolt, (5) Spring Washer, (6) Nut (M5, 2 pcs. each)
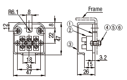
(MOR)
Terminal Metal Fitting for D38, 42.7

Terminal Metal Fitting for D38, 42.7

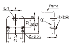
(MORS)
Fixing Bracket for D38, 42.7

Fixing Bracket for D38, 42.7

Extrusion Installation Reference Drawing

Extrusion Installation Reference Drawing Dimensions
| D | W1 | W2 | W3 | P1 |
| 38 | 12 mm or more | 22 mm | 19 mm or more | 34 mm |
| 42.7 | ||||
| 57 | 16 mm or more | 47 mm | 11 mm or more | 35 mm |
(MOR)
Terminal Metal Fitting for D57

Terminal Metal Fitting for D57

(MORS)
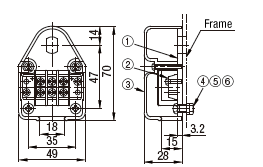
Terminal Box for D38/42.7 ((2) Terminal Metal Fitting + (3) Terminal Metal Fitting Cover)

Terminal Box for D38/42.7 ((2) Terminal Metal Fitting + (3) Terminal Metal Fitting Cover)

[!] Operating Temperature: 0 to 40°C (Humidity 15 to 85%)
| Type | D | Rollers | (1) Fixing Bracket | (2) Terminal Metal Fitting | (3) Terminal Metal Fitting Cover | ||
| [M] Material | [S] Surface Treatment | [M] Material | [S] Surface Treatment | [M] Material | [M] Material | ||
| (Standard) MOR | 38 | STKM12 | Trivalent Chromate | SPHC | Trivalent Chromate | PA6 | ABS Plastic |
| 42.7 | |||||||
| 57 | PBT | ||||||
| (Waterproof) MORS | 38 | SUS304 | — | SUS304 | — | PBT | PBT |
| 42.7 | |||||||
Overview / Specifications
■MORS Protection Grade
IP65 protection rating has dust resistance, protects against jet water (general water flow), and has a waterproof structure that allows it to be completely washed.
Highly hygienic.
[ ! ] IP65 is not suitable for strong direct jets (cleaning by pinching the end of the hose, high pressure washing, etc.).

IP65 protection rating has dust resistance, protects against jet water (general water flow), and has a waterproof structure that allows it to be completely washed.
Highly hygienic.
[ ! ] IP65 is not suitable for strong direct jets (cleaning by pinching the end of the hose, high pressure washing, etc.).
