High Torque Timing Pulleys P5M Type

Caution
- Please note that the swaged flange options, NFC, RFC, and LFC, are not reflected in the CAD data.
- For customers who are selecting timing pulley with tapped holes on the tooth surface. Depending on the shaft bore diameter selected by the customer, the accessory set screw may protrude and interfere with the belt. Please check whether the set screw protrudes from the bottom of the pulley root on the 3D preview or CAD. If it protrudes, please consider alteration SLH "Set screw length change" or changing to shape B. Thank you for choosing this product.
- Please check the content on our website as the PDF does not contain the most up-to-date information.
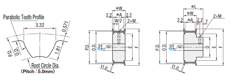
Product Description
[Material]
· Pulley: Aluminum alloy, S45C equivalent, SUS304
· Flange: Aluminum alloy, SPCC
[Surface treatment]
· Clear anodize, black anodize, hard clear anodize (firm hardness 300HV~), electroless nickel plating, black oxide
[Related Products]
· Timing belt High Torque Timing Belt, Super High Torque Timing Belt, Open End Belts/Polyurethane/Chloroprene Rubber
· Idler Idler with Teeth Center Bearing, Idler with Teeth Both Sides Bearing, Idler - Backside Tensioning Center Bearing, Idler - Backside Tensioning Both Sides Bearing

| mm | Nominal | ||
| P5M100 | P5M150 | P5M250 | |
| A | 11.6 | 16.6 | 26.6 |
| W | 16.0 | 21.0 | 31.0 |
| L | 28.0 | 33.0 | 43.0 |
| dH7 Shaft Bore I.D. | M (Coarse) | Accessory Set Screws |
| 5 to 12 | M4 | M4 × 3 |
| 13 to 17 | M5 | M5 × 4 |
| 18 to 30 | M6 | M6 × 5 |
| 31 to 45 | M8 | M8 × 6 |
| 46 to 70 | M10 | M10 × 8 |
[ ! ] Due to vibrations during transportation, the set screw may become detached from the main body.
[ ! ] The tolerance of the tap position dimension from the boss end face and pulley end face is ±0.3.
[ ! ] Unless otherwise specified except for teeth and F dimensions, the dimension tolerance conforms to JIS B 0405 Class m.
● Shaft Bore Specification Select shaft bore spec mark and each dim. from the table below.
[ ! ] Surface treatment may not be applied to the shaft bores.
[ ! ] Shaft Bore Dia. 6.35 is selectable within Shaft Bore Dia. d for Shaft Bore Specs. H, P, V and F.
[ ! ] Specify NK10 if keyway width of 4.0 mm (height 1.8 mm) for shaft bore spec. N and shaft bore diameter of 10 is desired.
[ ! ] For A-Shape pulley with shaft bore spec. P, N, or C, the screw holes are set at around 90° to keep away from peaks.
H Round Hole
P Round Hole + Tap
N New JIS Keyway + Tap
C Old JIS Keyway + Tap
V Stepped Hole
F Stepped Hole (Counterbored Hole on the Hub Side)
Y Both Ends Stepped Hole
WB Two-Stepped Hole

[ ! ] Z-V (d) ≥ 2
[ ! ] Shape A:
3 ≤ J ≤ W-3,
Shape B:
3 ≤ J ≤ L-3
[ ! ] Applicable to
Shape B only
[ ! ] Z-F (d) ≥ 2
[ ! ] 3 ≤ J ≤ L-3
[ ! ] Applicable to
Shape A only
[ ! ] Q (R)-Y (d) ≥ 2
[ ! ] S+T ≤ W-3
[ ! ] S (T) ≥ 3
[ ! ] Applicable to Shape A only
[ ! ] Q-R ≥ 2
[ ! ] R-WB (d) ≥ 2
[ ! ] S+T ≤ W-3
[ ! ] S (T) ≥ 3
| Type | Belt Width | [ M ] Material | [ S ] Surface Treatment | [ A ] Accessory Set Screws | |||
| 10 mm | 15 mm | 25 mm | Pulley | Flange | |||
| P5M100 | P5M150 | P5M250 | |||||
| PTPA | ● | ● | ● | Aluminum alloy | Aluminum alloy | Clear Anodize | SUS304 |
| PTPB | ● | ● | ● | Black Anodize | |||
| PTPK | ● | ● | ● | Hard Clear Anodize | |||
| PTPN | ● | ● | ● | Electroless nickel plating | |||
| PTPM | ● | ● | ● | S45C Equivalent | SPCC | Black Oxide Coating | SCM435 (Black Oxide) |
| PTPP | ● | ● | ● | Electroless nickel plating | |||
| PTPS | ● | ● | ● | SUS304 | SUS304 | - | SUS304 |