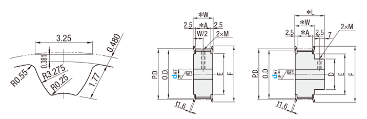
High Torque Timing Pulleys S5M Type

Caution
- Please note that the swaged flange options, NFC, RFC, and LFC, are not reflected in the CAD data.
- For customers who are selecting timing pulley with tapped holes on the tooth surface. Depending on the shaft bore diameter selected by the customer, the accessory set screw may protrude and interfere with the belt. Please check whether the set screw protrudes from the bottom of the pulley root on the 3D preview or CAD. If it protrudes, please consider alteration SLH "Set screw length change" or changing to shape B. Thank you for choosing this product.
Product Description
[Material]
· Pulley: Aluminum alloy, S45C equivalent, SUS304
· Flange: Aluminum alloy, SPCC, SUS304
[Surface treatment]
· Clear anodize, black anodize, hard clear anodize (firm hardness 300HV~), electroless nickel plating, black iron oxide coating
[Related Products]
· Timing belt High Torque Timing Belt, Long Timing Belts-Polyurethane, Open End Belts/Polyurethane/Chloroprene Rubber
· Idler Idler with Teeth Center Bearing, Idler with Teeth Both Sides Bearing, Idler - Backside Tensioning Center Bearing, Idler - Backside Tensioning Both Sides Bearing
Alterations
| Part number | — | Pulley Shape | — | Shaft Bore Specs.: I.D. | — | Z | — | J | — | Q | — | R | — | S | — | T | — | (KC90, etc.) | |||||
| HTPM60S5M150 | — | A | — | H30 | — | KSC50 | |||||||||||||||||
| Alterations | Set Screw Angle Change | No Flange | Single Flange | Flange Cut |
| Code | KC90 | NFC | RFC·LFC | FC |
| Spec. | Changes an angle of set screw to 90°. [ ! ] For A-Shape pulley, the screw holes are set at around 90° to keep away from peaks. ![]() | (Flange 2 pcs. Included) Ordering Code NFC ![]() | (Flange 1 pc. Included) Ordering Code RFC ![]() | Cut the flange O.D. in 0.5 mm increments. Ordering Code FC17 Application Notes [ ! ]FC ≥ (O.D.) +1 [ ! ]FC ≤ F-2 [ ! ] No surface treatment is applied on flange circumference. ![]() |
| Alterations | Retaining Ring Groove | Taper for Bearing Holder | Hub Shortening | Tapped Hole Dimensions | Included Set Screw Length Change | ||||||||||||||||||||||||||||
| Code | SRG | BTC | BC | TPC | SLH | ||||||||||||||||||||||||||||
| Spec. | Retaining Ring Groove applicable to the shaft dia. of stepped hole is machined. Specify SRG 2.5-24.5 mm ![]() | Taper for retaining bearing inner ring Ordering Code BTC6-TL1.5 ![]() | Cuts the hub length in 0.5 mm increments. Ordering Code BC6.5 Application Notes [!] Shaft Bore Specs. ![]() | Ordering Code TPC5 Application Notes [ ! ] Applicable to Shaft Bore Specs. P, N, C only
| Ordering Code SLH10 Application Notes [ ! ] Applicable to Shaft Bore Specs. P, N, C only
|
| Alterations | Add Side Holes [!] Conditions may vary depending on the shaft bore specs. | ||
| Side Tapped Hole | Side Through Hole | Side Counterbored | |
| Code | QTC·QFC·QSC | KTC·KFC·KSC | ZTC·ZFC·ZSC |
| Spec. | Machines tapped hole on the side surface of hub side. Ordering Code QTC28−M4 Q□C Selection Specify the hole position (P. C. D. dim.). M Selection M3, M4, M5, M6, M8 Application Notes [ ! ] Minimum Thickness: 2 mm [!] Conditions may vary depending on the shaft bore specs. ![]() (6 Locations) (4 Locations) (3 Locations) | Machines through hole on the side surface. Ordering Code KTC28−K4.5 K□C Selection Specify the hole position (P. C. D. dim.). Specify K K4.0 to 13.0 (0.5 mm Increments) Application Notes [ ! ] Minimum Thickness: 2 mm [!] Conditions may vary depending on the shaft bore specs. ![]() (6 Locations) (4 Locations) (3 Locations) | Machines counterbored hole on the side surface. Ordering Code ZTC28−ZM4 Z□C Selection Specify the hole position (P. C. D. dim.). ZM Selection ZM3, ZM4, ZM5, ZM6, ZM8 Application Notes [ ! ] Minimum Thickness: 2 mm [!] Conditions may vary depending on the shaft bore specs. ![]() (6 Locations) (4 Locations) (3 Locations) |









