Press Fit Plungers-Standard Type

Caution
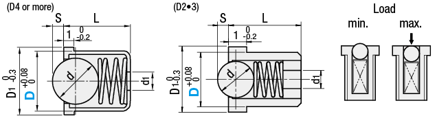
Product Description
- Press Fit Plungers-Standard Type.
- Part number including type of PFSSN, PFSSR, PFPSN and PFPPN.
- Press Fit Plungers: Metal Ball and Plastic Ball.
- Main Body Material: Stainless Steel SUS303 and Polyacetal.
- Ball Material: Stainless Steel SUS440C and Polyacetal.
- Ball Hardness: 55HRC for only metal ball type.
- Spring Material is Stainless Steel SUS631J1.
- Mounting Method: Screw (Hex)
- Coarse Thread Size (M): 2, 3, 5, 6, 8 and 10.
- Metal Ball Operating temperature: -20 to 120°C.
- Plastic Ball Operating temperature: -30 to 80°C.

| Type | Body | Ball | Spring | Operation Temperature | ||
| [ M ]Material | [ M ]Material | [ H ]Hardness | [ M ]Material | |||
| Light Load | PFSSN | SUS303 | SUS440C | 55HRC~ | SUS631J1 | -20~120°C |
| Heavy Load | PFSSR | |||||
| Light Load | PFPSN | Polyacetal | -30~80°C | |||
| PFPPN | Polyacetal | - | ||||
Example
