Pivot Pins - Cotter Pins

Brand :
MISUMI
Caution
Product Description
[Specification expansion]
Added hard chrome plating with excellent wear resistance.
[Features]
A hinge pin that can be easily fixed with a split pin.

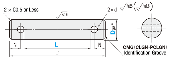
* Dg6 Tolerance is available for L dimensions only. The negative tolerance is applied to other dimensions.
[ ! ] CMG has identification grooves on the side in order to be distinguished from Hardened Type.
(CLGN and PCLGN may have identification grooves.)
[ ! ] L1 conforms to JIS B 0405 Class m.
| Type | [M] Material | [H] Hardness | [S] Surface Treatment | [A]Accessory | ||
| L Dimension Selectable | L Dimension Configurable | |||||
| CMG | CLGN | S45C Equivalent | — | Black Oxide | Cotter Pin 2 pcs. | [M]SWRM or low carbon steel |
| CMGH | CLGHN | 40 to 45HRC | ||||
| — | PCLGN | — | Electroless Nickel Plating | [ M ]SUS304 | ||
| — | PCLGHN | 40 to 45HRC | ||||
| — | GCLGN | S45C Equivalent | Plating Hardness 750 HV or more | Hard Chrome Plating | [M]SWRM or low carbon steel | |
| SCMG | SCLGN | SUS304 Equivalent | — | — | [ M ]SUS304 | |
| — | SCLGHN | SUS440C or 13Cr Stainless Steel | 45 to 50HRC | |||
| — | GSCLGHN | 45 to 50HRC Plating Hardness 750 HV or more | Hard Chrome Plating | |||