Miniature Linear Guides - Wide Rails - Wide Standard Blocks, Light Preload / Slight Clearance

Caution
- We will stop the sale of Carbon Steel Miniature Linear Guide in 2021. Please see below for the details.
End of Sale Notification for MISUMI Carbon Steel Miniature Linear Guide Products - [Express Service Resumed] L dimension usage restrictions have been removed.
Product Description
Wide Block Type of MISUMI original specifications. Larger screw size has enhanced fastening strength compared to standard products. Manufactured by SURUGA Production Platform, Co., Ltd. SURUGA Production Platform has developed its business based around accurate processing technology capable of micron level accuracy.
SURUGA's accurate mechanical parts are also used in fields employing cutting edge technologies such as the aerospace and automobile industries.
Type (Part Number)
| Material (Hardness) | Rail Length Type 1 | Number of Blocks 2 | Preload/Accuracy A | Height (H) B | Grease C | |
|---|---|---|---|---|---|---|
| Light Preload | Slight Clearance | |||||
| High Grade | Standard Grade | |||||
| No Surface Treatment Stainless Steel [SUS440C Equivalent] (56HRC or more) | Standard length (Selectable) | 1 | SSEBWM | SSEBWMZ | 9 12 14 16 | Blank: Standard G: Grease G L: Grease L Y: Grease Y H: Grease H |
| 2 | SSE2BWM | SSE2BWMZ | ||||
| 1 mm increments (Dimension Configurable) | 1 | SSEBWML | SSEBWMLZ | |||
| 2 | SSE2BWML | SSE2BWMLZ | ||||
| Low Temperature Black Chrome Plating Stainless Steel [SUS440C Equivalent] (56HRC or more) | Standard length (Selectable) | 1 | RSEBWM | - | ||
| 2 | RSE2BWM | - | ||||
| 1 mm increments (Dimension Configurable) | 1 | RSEBWML | - | |||
| 2 | RSE2BWML | - | ||||
1If the desired rail length is not available in the standard length (selectable), please specify the length in 1 mm increments (dimension configurable).
2If a 3- to 4-block product is desired, please select a part number for a 1-block product and specify "B3 (3 blocks)" or "B4 (4 blocks)" for alterations.
[ ! ] Heat resistant temperature is -20 to 80°C.
[ NG ] Blocks and rails cannot be purchased separately.
Part Number Configuration
Example: [Rail Length Type] 1 mm increments, [Number of Blocks] 2, [Accuracy/Preload] Light Preload, High Grade, [Height] 12, [Grease] Standard Grease
Type | Height H | Grease | ー | Rail Length L | ー | Alterations | |||
| A | B | C | |||||||
SSEBWM | 12 | ー | 200 | (SSEBWM12-200) | |||||
SSEBWML | 12 | G | ー | 610 | ー | MC-B4 | (SSEBWML12G-610-MC-B4) | ||
RSE2BWML | 12 | G | ー | 271 | ー | MC | (RSE2BWML12G-271-MC) |
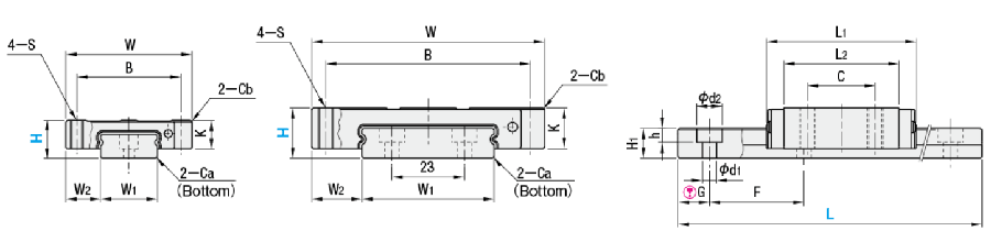
Drawing

[ NG ] Blocks and rails cannot be purchased separately.
Tolerance
| L Dimension Range | Tolerance |
|---|---|
| 25 ≦L≦ 400 | 0 -0.8 |
| 400 <L≦ 1000 | 0 -1.0 |
| Type | Accuracy Standards | Assembly Height (H) | Accuracy (µm) | ||||
|---|---|---|---|---|---|---|---|
| Precision Grade | High Grade | Standard Grade | |||||
| No Surface Treatment | Low Temperature Black Chrome Plating | ||||||
| Miniature Linear Guide | Height H Dimension Tolerance | 6 to 20 | ±10 | ±20 | +30 ー20 | ±20 | |
| Pair Variation of Height H | 7 | 15 | 15 | 40 | |||
| Width W2 Dimension Tolerance | ±15 | ±25 | ±25 | ±25 | |||
| Pair Variation of Width W2 | 10 | 20 | 20 | 40 | |||
of Other Symbols
| Dimension Range | Tolerance (mm) | |
|---|---|---|
| Over | or Less | |
| 0.5 | 3 | ±0.1 |
| 3 | 6 | ±0.1 |
| 6 | 30 | ±0.2 |
| 30 | 120 | ±0.3 |
| 120 | 400 | ±0.5 |
| 400 | 1000 | ±0.8 |
| 1000 | 2000 | ±1.2 |
Class m (Medium Class)
[ ! ]The precision of low temperature black chrome plated product Miniature Linear Guides is as shown above.
The sliding resistance is higher than that of Standard Type. Approx. 1.2 N or lower.
Specification Table
| Part Number | L 3 | Block Dimensions | Rail Dimensions | |||||||||||||||
|---|---|---|---|---|---|---|---|---|---|---|---|---|---|---|---|---|---|---|
| Type | H | W | L1 | B | C | S | L2 | K | Cb | W1 | W2 | H1 | Ca | Counterbored Hole | F | G 4 | ||
| 1 Block | 2 blocks | d1 × d2 × h | ||||||||||||||||
| SSEBWM SSEBWMZ SSEBWML SSEBWMLZ RSEBWM RSEBWML | SSE2BWM SSE2BWMZ SSE2BWML SSE2BWMLZ RSE2BWM RSE2BWML | 9 | 50 to 380 (110) | 36 | 31.1 | 29 | 12 | M4 | 20.1 | 7 | 0.3 | 14 | 11 | 5.2 | 0.5 | 3.5 × 6 × 3.2 | 30 | 10 |
| 12 | 50 to 620 (110) | 40 | 38 | 33 | 12 | M4 | 27 | 9 | 0.3 | 18 | 11 | 7.5 | 0.5 | 3.5 × 6 × 4.5 | 30 | 10 | ||
| 14 | 70 to 990 (150) | 51 | 44.3 | 44 | 15 | M4 | 30.1 | 11 | 0.5 | 24 | 13.5 | 8 | 0.5 | 4.5 × 8 × 4.5 | 40 | 15 | ||
| 16 | 70 to 990 (190) | 74 | 55 | 65 | 20 | M5 | 40 | 13 | 0.5 | 42 | 16 | 9.5 | 0.5 | 4.5 × 8 × 4.5 | 40 | 15 | ||
3Dimensions in ( ) are for 2 Block Type.
4For L Dimension Configurable Types, both ends of the rail are evenly cut. G dim. resulting from this cutting process will differ from those indicated on the above table.
!Correctly match the datum planes (the side with the straight grooves) of both the rail and block.
Standard Rail Length (Selectable) List
The table below lists the standard rail lengths for each size. Please select the rail length from here.
Lengths not listed in the table below can be custom specified in 1 mm increments.
| Height | Rail Length | |||||||||||||||||||||||
| (H) | (L) | |||||||||||||||||||||||
| 9 | (50) | (80) | 110 | 140 | 170 | 200 | 230 | 260 | 290 | 320 | 350 | 380 | ||||||||||||
| 12 | (50) | (80) | 110 | 140 | 170 | 200 | 230 | 260 | 290 | 320 | 350 | 380 | 410 | 440 | 470 | 500 | 530 | 560 | 590 | 620 | ||||
| 14 | (70) | (110) | 150 | 190 | 230 | 270 | 310 | 350 | 390 | 430 | 470 | 510 | 550 | 590 | 630 | 670 | 710 | 750 | 790 | 830 | 870 | 910 | 950 | 990 |
| 16 | (70) | (110) | (150) | 190 | 230 | 270 | 310 | 350 | 390 | 430 | 470 | 510 | 550 | 590 | 630 | 670 | 710 | 750 | 790 | 830 | 870 | 910 | 950 | 990 |
! The dimensions in ( ) are not available for the standard 2-block type.
Basic Load Rating, Allowable Static Moment, Mass, Friction Resistance (Required Thrust), Sliding Resistance (Seal Resistance)
kgf = N × 0.101972
| Height (H) | Basic Load Rating 5 | Allowable Static Moment | Mass | |||||||
|---|---|---|---|---|---|---|---|---|---|---|
| C (Dynamic) kN | Co (Static) kN | Block 1 pc. | Block 2 pcs. in close contact 6 | Block kg | Guide Rail kg/m | |||||
| MA N⋅m | MB N⋅m | MC N⋅m | MA N⋅m | MB N⋅m | MC N⋅m | |||||
| 9 | 1.4 | 2.2 | 7.8 | 7.8 | 15.5 | 21.7 | 21.7 | 31.0 | 0.035 | 0.50 |
| 12 | 2.3 | 3.7 | 13.7 | 16.3 | 30.4 | 43.7 | 43.7 | 60.8 | 0.06 | 0.96 |
| 14 | 3.5 | 5.3 | 20.6 | 22.3 | 52.1 | 70.9 | 70.9 | 104.2 | 0.11 | 1.40 |
| 16 | 5.8 | 8.5 | 40.2 | 43.6 | 148.0 | 160.9 | 160.9 | 296.0 | 0.20 | 2.95 |
5The basic load rating is the same for all four directions (radial, reverse-radial, and lateral directions) relating to blocks. Can be used in any orientation.
6The allowable static moment when two blocks are in close contact is not a guaranteed value but a reference value.
- The guideline for the allowable load and allowable moment of the linear guide is the value obtained by dividing each value (above table) by the static safety factor fs (below table).
Example: Allowable load (kN) for H12 under normal driving conditions: 3.7/2 = 1.85 (Approx. 189 kg) - The actual friction resistance (required thrust) when using a linear guide will vary depending on the load and other factors.
Static Safety Factor (Lower Limits of fs)
| Condition of Use | Lower Limits of fs |
|---|---|
| For normal operating condition | 1 to 2 |
| When smooth running performance is required | 2 to 4 |
| When there is vibration or impact | 3 to 5 |
Allowable Load (N) ≤ Co/fs
Allowable Moment (N⋅m) ≤ (MA, MB, MC)/fs
fs: Static Safety Factor Co: Basic Static Load Rating
MA, MB, MC: Allowable Static Moment (N⋅m)
![[Figure]Allowable Static Moment](http://content.misumi-ec.com/image/upload/t_msmwm_wyg/v1/p/jp/product/wysiwyg/wysiwygcommon/pic_glossary_10.png)
・In linear guides, the rolling elements perform rolling motion, resulting in lower frictional resistance compared to sliding guides.
However, this can vary depending on the applied load, speed, and the characteristics of the lubricant.
Especially when a moment load is applied or preload is applied, friction resistance increases. Although seal resistance varies depending on the seal lip press-fit allowance
and the condition of the lubricant, it is not proportional to load and always shows a constant value. Friction resistance is obtained by the following formula.
F=μ・w+f
μ: Dynamic Friction Coefficient
w: Load (N)
f: Sliding Resistance (Seal Resistance)
| Type | Dynamic Friction Coefficient (μ) |
| Miniature Linear Guide | 0.004 to 0.006 |
| Linear Guides for Medium Load | 0.002 to 0.003 |
Condition: Miniature linear guide (standard rail) assembly height (H): 10: Sliding resistance (seal resistance): 0.5 (N)
Dynamic Friction Coefficient (μ): 0.005
Load: 150 (N)
F (Friction Resistance)=0.005×150+0.5=1.25(N)
Mounting and Handling
■Datum Plane and Mounting Direction
- Datum plane has the Datum Plane Mark (groove) on the block and rail (Fig. A).Be sure to match the datum planes for use.
- The mounting direction shown in Fig. B is acceptable. All the basic load ratings are same.


■Precautions for Use
[ ! ]Blocks are equipped with a retainer to prevent balls from derailing (wires).
[ ! ]Radial clearances and accuracies are not guaranteed if the blocks and rails are interchanged from the original set combinations.
[ ! ]Straight grooves are provided on datum planes. Be sure to match the datum planes for use.
[ ! ]Rails cannot be connected end to end.
[ ! ]The accuracy of Linear Guide is guaranteed after mounting the rail (after it is fastened with screws on the rail and pushing it onto the datum plane).
Minor bending of the rail will be adjusted by being secured and will not affect the performance.
■About Grease
- Filled with a standard grease: lithium soap based grease (Multemp Grease PS2 by KYODO YUSHI) before shipment.
- Greasing with a different brand of grease is not recommended. Please use the same brand of grease.
- Apply grease directly to the rail. After applying, move the block to let the grease absorb.
■Standard Grease Fitting Position
- The miniature type does not come with a grease fitting or greasing hole.
Alterations
| Code | Alterations | Specifications | Notes | ||||||||||
|---|---|---|---|---|---|---|---|---|---|---|---|---|---|
| MC | Change rail counterbore holes to tapped holes![]() | ·Changes the guide rail mounting holes from counterbored holes to tapped holes. | ! Not applicable for H dim. 9 ≥ 291, H dim. 12 ≥ 291, H dim. 14 ≥ 471 or H dim.16 ≥ 671 ! See the table below for the tapped hole dimensions after change.
| ||||||||||
| LLC RLC | LLC: Left End Cut RLC: Right End Cut ![]() | ·Cuts rail ends. ·Rails are cut with the engraved side as front (datum plane as back). (as shown in the image on the left) ·Please refer to the table below for the length of the rail to be cut.
| !The overall length will be shortened by the amount of cutting. Example: The L dimension of SSEBWM12-80-LLC is 75 mm. !Applicable only to Selectable Type (standard rail length). !Not applicable to L70 or less. | ||||||||||
| B3 B4 | B3: Additional Block (Total 3 pcs.) B4: Additional Block (Total 4 pcs.) 3-Block Specifications ![]() 4-Block Specifications | ·It will be shipped with 3 (4) blocks installed. ·There is a minimum length limit for the L dimension (rail length). Please refer to the table below "Shortest Selectable Rail Lengths for B3/B4." | !Please specify the part number for one block. (× SSE2BWM12-290-B4) |
| H | B3 (3 blocks) | B4 (4 blocks) |
| 9 | 140 | 170 |
| 12 | 140 | 200 |
| 14 | 190 | 230 |
| 16 | 230 | 270 |
App. Example
- Installation Examples -


Enhanced assembly and fastening strength.
More Information


[ ! ]Blocks are equipped with retainers (wire) to prevent balls from falling out. Refer to >>P.501
[ ! ]Radial clearances and accuracies are not guaranteed if the blocks and rails in the Light Preload Type are interchanged from the original set combinations.
[ ! ]Blocks and rails can be used interchangeably with Interchangeable-Slight Clearance Type.
[ ! ]Straight grooves are provided on datum planes. Be sure to match the datum lines when using.
[ ! ]Rails cannot be connected to be extended.
[ ! ]Running parallelism is the value measured after the rail is mounted.
■Others
- For G dimensions of L Dimension Configurable Type, refer to >>P.507
- Lithium soap based grease (Multemp Grease PS2 by Kyodo Yushi Co., Ltd. ) is filled.



