กระบอกลม, รุ่นมาตรฐาน, ทำงานสองทาง, ก้านสูบเดี่ยว C85 Series

ข้อควรระวัง
- โปรดดูข้อมูลสเปคผลิตภัณฑ์ในแคตาล็อก
- ภาพสินค้าเป็นเพียงภาพตัวอย่างเท่านั้น บางรุ่นอาจไม่มีข้อมูล CAD data
รายละเอียดสินค้า
กระบอกลมก้านสูบเดี่ยวรุ่นมาตรฐาน
[คุณสมบัติ]
· สอดคล้องตามมาตรฐาน ISO (6432) (C85)
· Part Number ถูกตั้งค่าไว้สำหรับผลิตภัณฑ์ที่มีฉากยึด ฉากยึดปลายก้านสูบ และสวิตช์อัตโนมัติ
· เนื่องจากไม่จำเป็นต้องสั่งซื้อฉากยึดและกระบอกสูบแบบแยกกัน จึงช่วยลดระยะเวลาในการสั่งซื้อได้
· ปรับตำแหน่งสวิตช์อัตโนมัติได้ง่าย
· เหล็กยึดสวิตช์โปร่งใสช่วยการมองเห็นของไฟ LED บอกสถานะ
*โปรดดูแค็ตตาล็อกสำหรับรายละเอียดสเปค
*รูปภาพของสินค้าเป็นเพียงภาพตัวอย่างเท่านั้น บางรุ่นอาจไม่มีข้อมูล CAD data
กระบอกลม, ชนิดมาตรฐาน, แบบคู่, สเปคเดี่ยว C85 ซีรี่ส์

กระบอกลม, แบบ รุ่นมาตรฐาน, แบบคู่, แบบแท่งเดี่ยว C85 ซีรี่ส์ ลักษณะภายนอก

สัญลักษณ์ (การแสดงสองครั้ง / เดี่ยวคัน)

สัญลักษณ์ (เบาะลม)
สเปค
| เส้นผ่าศูนย์กลางภายใน สายยาง (มม.) | 8 | 10 | 12 | 16 | 20 | 25 | |
|---|---|---|---|---|---|---|---|
| รุ่น | ประเภท ระบบนิวเมติกส์/วงจรลม | ||||||
| วิธีการใช้งาน | การแสดงดับเบิลคันเดียว | ||||||
| บังคับของเหลว | อากาศ | ||||||
| พิสูจน์ ความดัน | 1.5 MPa | ||||||
| แรงดันใช้งานสูงสุด | 1.0 MPa | ||||||
| ความดัน ใช้งานขั้นต่ำ | เบาะ ยาง | 0.1 MPa | 0.08 MPa | 0.05 MPa | |||
| เบาะลม | - | 0.08 MPa | 0.05 MPa | ||||
| อุณหภูมิแวดล้อมใช้งาน และ อุณหภูมิของ ของไหล | ไม่มี สวิตช์อัตโนมัติ: -20 ° C ถึง 80 ° C (ไม่มีการแช่แข็ง) | ||||||
| ด้วย สวิตช์อัตโนมัติ: -10 ° C ถึง 60 ° C (ไม่มีการแช่แข็ง) | |||||||
| การหล่อลื่น | ไม่จำเป็น (ไม่ใช่น้ำมันหล่อลื่น) | ||||||
| ความ ความเผื่อ สโตรค/ระยะเคลื่อนที่ | 0 ถึง +1.0 มม | 0 ถึง +1.4 มม | |||||
| ความเร็วลูกสูบในการทำงาน | 50 ถึง 1,500 มม. / วินาที | ||||||
| กันกระแทก | เบาะ ยาง | ||||||
| - | เบาะลม | ||||||
| การเคลื่อนไหวที่อนุญาต พลังงาน | เบาะ ยาง | 0.02 J | 0.03 J | 0.04 J | 0.09 J | 0.27 J | 0.4 J |
| เบาะลม | - | 0.17 J | 0.19 J | 0.4 J | 0.66 J | 0.97 J | |
จังหวะ มาตรฐาน
| ขนาด รู (มิลลิเมตร) | สโตรค/ระยะเคลื่อนที่ มาตรฐาน (มม.) หมายเหตุ 2) หมายเหตุ 4) | โน้ต สโตรค/ระยะเคลื่อนที่ สูงสุด 3) (มิลลิเมตร) |
|---|---|---|
| 8 หมายเหตุ 1) | 10, 25, 40, 50, 80, 100 | 200 |
| 10 | 400 | |
| 12 | 10, 25, 40, 50, 80, 100, 125, 160, 200 | |
| 16 | ||
| 20 | 10, 25, 40, 50, 80, 100, 125, 160, 200, 250, 300 | 1,000 |
| 25 |
หมายเหตุ 1) ไม่สามารถใช้ได้กับเบาะอากาศ
หมายเหตุ 2) จังหวะอื่น ๆ ตามคำขอ
หมายเหตุ 3) ติดต่อศูนย์บริการผู้ผลิตเพื่อขอจังหวะเกินช่วงจังหวะมาตรฐาน
หมายเหตุ 4) สโตรค/ระยะเคลื่อนที่ ต่ำสุดพร้อมเบาะรองลมคือ 25 มม.
รายการน้ำหนัก
(หน่วย: ก.)
| เส้นผ่าศูนย์กลางภายใน สายยาง (มม.) | 8 | 10 | 12 | 16 | 20 | 25 | ||
|---|---|---|---|---|---|---|---|---|
| น้ำหนักพื้นฐาน | ไม่มี แม่เหล็ก | C85N | 37 | 38 (44) | 77 (84) | 89 (95) | 179 (176) | 244 (241) |
| C85E | 39 | 40 | 81 | 93 | 185 | 249 | ||
| C85F | 35 | 37 | 71 | 79 | 164 | 227 | ||
| C85Y | 35 | 37 | 72 | 79 | 165 | 228 | ||
| ด้วย แม่เหล็ก | CD85N | 37 | 39 (44) | 78 (84) | 90 (96) | 183 (179) | 248 (245) | |
| CD85E | 39 | 41 | 81 | 93 | 188 | 253 | ||
| CD85F | 35 | 37 | 72 | 80 | 168 | 231 | ||
| CD85Y | 36 | 37 | 72 | 80 | 168 | 232 | ||
| น้ำหนักเพิ่มเติมต่อ สโตรค/ระยะเคลื่อนที่ 10 มม | 2.1 | 2.3 | 4.1 | 5.1 | 8.1 | 11.3 | ||
| เหล็กฉากสำหรับยึด | เท้า (1 ชิ้น) | C85L□A | 20 | 40 | 95 | |||
| เท้า (2 ชิ้นพร้อม น๊อตตัวเมีย ยึด 1 ตัว) | C85L□B | 55 | 105 | 210 | ||||
| หน้าแปลน | C85F□ | 12 | 25 | 90 | ||||
| วาล์วบอล | C85T□ | 20 | 50 | 75 | ||||
| ปิ๊น | C85C□ | 20 | 40 | 85 | ||||
| อุปกรณ์เสริม | ปลายก้าน | KJ□D | 17 | 25 | 45 | 70 | ||
| ข้อต่อร่วม รูปทรงตัว U | GKM□-□ | 10 | 20 | 50 | 100 | |||
| โฟลทติ้งจอยท์ | JA□-□-□ | 10 | 20 | 50 | 70 | |||
*(): สำหรับเบาะอากาศ
การคำนวณ (ตัวอย่าง): C85N20-50NV
- น้ำหนักพื้นฐาน: 179 กรัม (ø20 [เส้นผ่าศูนย์กลาง 20 มม.])
- น้ำหนักที่เพิ่มขึ้น: 8.1 กรัม (ที่ สโตรค/ระยะเคลื่อนที่ 10 มม.)
- สโตรค/ระยะเคลื่อนที่ กระบอกสูบ: 50 มม
- เหล็กฉากสำหรับยึด, ปิ๊น: 85 กรัม
- อุปกรณ์เสริม ปลายก้าน: 45 กรัม
179 + 8.1 × 50/10 + 85 + 45 = 350 กรัม
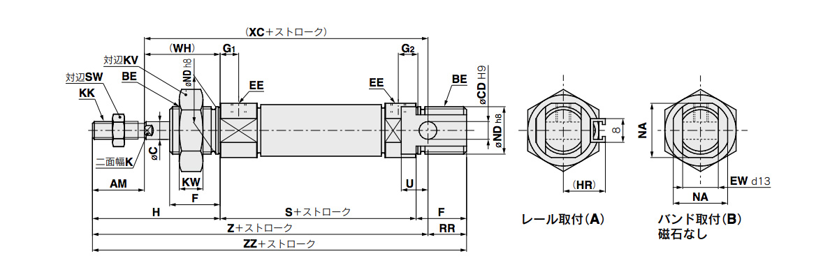
โครงร่างการ ดรออิ้งบอกขนาด
(หน่วย: มิลลิเมตร)
![ขั้นพื้นฐาน (แบบรวม) ยางกันกระแทก: C □ 85 n- [ขนาด รู ] - [สโตรค/ระยะเคลื่อนที่] - ดรออิ้งบอกขนาด](http://th.misumi-ec.com/th/linked/vitem/mech/SMC1/221006300879/img/221006300879_jh_w04.jpg)
ขั้นพื้นฐาน (แบบรวม) ยางกันกระแทก: C □ 85 n- [ขนาด รู ] - [สโตรค/ระยะเคลื่อนที่] - ดรออิ้งบอกขนาด
![เบาะลม: C □ 85 N [รู] - [สโตรค/ระยะเคลื่อนที่ C] - ดรออิ้งบอกขนาด](http://th.misumi-ec.com/th/linked/vitem/mech/SMC1/221006300879/img/221006300879_jh_w05.jpg)
เบาะลม: C □ 85 N [รู] - [สโตรค/ระยะเคลื่อนที่ C] - ดรออิ้งบอกขนาด
| สายยาง ID | AM | BE | C | CD | EE | EW | F | G₁ | G₂ | H | (HR) | K | KK | KV | KW | NA | ND | RR | S | SW | U | WA | (WH) | (XC) | Z | ZZ |
|---|---|---|---|---|---|---|---|---|---|---|---|---|---|---|---|---|---|---|---|---|---|---|---|---|---|---|
| 8 | 12 | M12 × 1.25 | 4 | 4 | M5 × 0.8 | 8 | 12 | 7 | 5 | 28 | 13.4 | - | M4 × 0.7 | 19 | 6 | 15 | 12 | 10 | 46 | 7 | 6 | - | 16 | 64 | 76 | 86 |
| 10 | 12 | M12 × 1.25 | 4 | 4 | M5 × 0.8 | 8 | 12 | 7 (5.5) | 5 (5.5) | 28 | 14.2 | - | M4 × 0.7 | 19 | 6 | 15 | 12 | 10 | 46 (53) | 7 | 6 | 10.5 | 16 | 64 (71) | 76 (83) | 86 (93) |
| 12 | 16 | M16 × 1.5 | 6 | 6 | M5 × 0.8 | 12 | 17 | 8 (5.5) | 6 (5.5) | 38 | 14.2 | 5 | M6 × 1 | 24 | 8 | 18.3 | 16 | 14 | 50 (54) | 10 | 9 | 9.5 | 22 | 75 (79) | 91 (95) | 105 (109) |
| 16 | 16 | M16 × 1.5 | 6 | 6 | M5 × 0.8 | 12 | 17 | 8 (5.5) | 6 (5.5) | 38 | 14.2 | 5 | M6 × 1 | 24 | 8 | 18.3 | 16 | 13 | 56 | 10 | 9 | 9.5 | 22 | 82 | 98 | 111 |
| 20 | 20 | M22 × 1.5 | 8 | 8 | ช. 1/8 | 16 | 20 | 8 | 8 | 44 | 17 | 6 | M8 × 1.25 | 32 | 11 | 24 | 22 | 11 | 62 | 13 | 12 | 13 | 24 | 95 | 115 | 126 |
| 25 | 22 | M22 × 1.5 | 10 | 8 | ช. 1/8 | 16 | 22 | 8 | 8 | 50 | 20 | 8 | M10 × 1.25 | 32 | 11 | 30 | 22 | 11 | 65 | 17 | 12 | 13 | 28 | 104 | 126 | 137 |
*(): สำหรับเบาะอากาศ
![ยางกันกระแทก บอสแบบสองด้าน: C □ 85E [ขนาด รู ] - [สโตรค/ระยะเคลื่อนที่] - ดรออิ้งบอกขนาด](http://th.misumi-ec.com/th/linked/vitem/mech/SMC1/221006300879/img/221006300879_jh_w06.jpg)
ยางกันกระแทก บอสแบบสองด้าน: C □ 85E [ขนาด รู ] - [สโตรค/ระยะเคลื่อนที่] - ดรออิ้งบอกขนาด
![ฝาครอบ กันชน หัว ตามแนวแกน บอสพื้นฐาน / ยางกันกระแทก พอร์ตเชื่อมต่อ: C □ 85F / Y [ขนาด รู ] - [สโตรค/ระยะเคลื่อนที่] - ดรออิ้งบอกขนาด](http://th.misumi-ec.com/th/linked/vitem/mech/SMC1/221006300879/img/221006300879_jh_w07.jpg)
ฝาครอบ กันชน หัว ตามแนวแกน บอสพื้นฐาน / ยางกันกระแทก พอร์ตเชื่อมต่อ: C □ 85F / Y [ขนาด รู ] - [สโตรค/ระยะเคลื่อนที่] - ดรออิ้งบอกขนาด

เท้าเดียว: การ ดรออิ้งบอกขนาด C □ 85 N □ - เหล็กฉากสำหรับยึด L (พร้อม ขายึด )
- * ประเภทเท้าเดียวจัดส่งพร้อมขา เหล็กยึด
- * ดูแคตตาล็อกของผู้ผลิตสำหรับขนาดและข้อมูลนอกเหนือจากด้านบน