สกรูหกเหลี่ยมหัวจม พร้อม แหวนอีแปะ / แหวนสปริง - กล่องเล็ก วัตถุ เดียว [เป็นไปตามมาตรฐาน RoHS]

แบรนด์ :
MISUMI
ข้อควรระวัง
- "E-BOX-GSCBS" จำหน่ายเป็นกล่อง และ "E-GSCBS" จำหน่ายแยกชิ้น
- สำหรับการสั่งซื้อเกินจำนวนในกล่องเล็ก "E-GSCBS" โปรดสั่งซื้อ "E-BOX-GSCBS" ในกล่องเล็ก ดู โต๊ะวางชิ้นงาน สเปค สำหรับปริมาณในกล่อง
- เมื่อเทียบกับผลิตภัณฑ์ที่คล้ายคลึงกันของ MISUMI ผลิตภัณฑ์ นี้อาจมีความแตกต่างอย่างมากในเรื่องของความพอดีของ รูหกเหลี่ยม และประแจ
รายละเอียดสินค้า
· โบลท์ สเตนเลส เลสซีรีส์ ความคุ้มค่า ซึ่งช่วยลดต้นทุนได้อย่างมากเมื่อเทียบกับผลิตภัณฑ์ที่คล้ายคลึงกันของ MISUMI
* คลองเลื่อย ปริมาณการสั่งซื้อขั้นต่ำแล้ว ปริมาณการสั่งซื้อขั้นต่ำอาจแตกต่างกันไป ขึ้นอยู่กับประเภทและขนาด โปรดตรวจสอบ แท็บ รหัสรุ่น/ Part number หรือ WOS
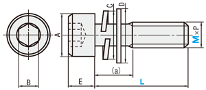
ดรออิ้งบอกขนาด

[ ! ] (ก) คือความยาวสูงสุด (อ้างอิง) ระหว่าง พื้นผิว หัว และ เกลียว ทั้งหมด
| พิมพ์ | สกรู | แหวนสปริง | แหวนอีแปะ | ||||
| [M] วัสดุ | [ S ] กระบวนการเตรียมผิว | ระดับความแข็งแกร่ง | [M] วัสดุ | [ S ] กระบวนการเตรียมผิว | [M] วัสดุ | [ S ] กระบวนการเตรียมผิว | |
| E-BOX-GSCBS | เทียบเท่า SUS304J3 | บาร์เรล, พาสซีฟ | A2-70 | เทียบเท่า SUS304J3 | — | เทียบเท่า SUS304J3 | — |
| E-GSCBS | |||||||
| ม × พี (หยาบ) | A | E | B | C | D | (ก) (สูงสุด) |
| 3 × 0.5 | 5.5 | 3.0 | 2.5 | 5.5 | 7.0 | 3.05 |
| 4 × 0.7 | 7.0 | 4.0 | 3.0 | 7.0 | 9.0 | 4.35 |
| 5 × 0.8 | 8.5 | 5.0 | 4.0 | 8.5 | 10.0 | 5.15 |
| 6 × 1.0 | 10.0 | 6.0 | 5.0 | 11.5 | 12.0 | 6.80 |
| 8 × 1.25 | 13.0 | 8.0 | 6.0 | 14.5 | 16.0 | 8.45 |
| รหัสรุ่น/ Part number |
| E-BOX-GSCBS6-15 |
| E-GSCBS6-12 |
■ วัตถุ เดียว
| รหัสรุ่น/ Part number | |||
| พิมพ์ | M | — | L |
| E-GSCBS | 3 | — | 6 |
| 8 | |||
| 10 | |||
| 12 | |||
| 15 | |||
| 16 | |||
| 4 | — | 6 | |
| 8 | |||
| 10 | |||
| 12 | |||
| 15 | |||
| 16 | |||
| 20 | |||
| 5 | — | 8 | |
| 10 | |||
| 12 | |||
| 15 | |||
| 16 | |||
| 20 | |||
| 25 | |||
| 6 | — | 10 | |
| 12 | |||
| 15 | |||
| 16 | |||
| 20 | |||
| 25 | |||
| 30 | |||
| 8 | — | 15 | |
| 16 | |||
| 20 | |||
| 25 | |||
| 30 | |||
| 35 | |||
■ กล่อง
| รหัสรุ่น/ Part number | ชิ้น/กล่องเล็ก | |||
| พิมพ์ | M | — | L | |
| E-BOX-GSCBS | 3 | — | 6 | 500 ชิ้น/กล่อง |
| 8 | ||||
| 10 | ||||
| 12 | ||||
| 15 | ||||
| 16 | ||||
| 4 | — | 6 | ||
| 8 | ||||
| 10 | ||||
| 12 | ||||
| 15 | ||||
| 16 | ||||
| 20 | ||||
| 5 | — | 8 | ||
| 10 | ||||
| 12 | ||||
| 15 | 200 ชิ้น/กล่อง | |||
| 16 | ||||
| 20 | ||||
| 25 | ||||
| 6 | — | 10 | ||
| 12 | ||||
| 15 | ||||
| 16 | ||||
| 20 | ||||
| 25 | ||||
| 30 | ||||
| 8 | — | 15 | 150 ชิ้น/กล่อง | |
| 16 | 100 ชิ้น/กล่อง | |||
| 20 | ||||
| 25 | ||||
| 30 | ||||
| 35 | ||||
■ ข้อแตกต่างระหว่างผลิตภัณฑ์ที่คล้ายกันของ MISUMI และซีรีส์ ความคุ้มค่า
[ ! ] เมื่อเปรียบเทียบกับผลิตภัณฑ์ที่คล้ายคลึงกันของ MISUMI ผลิตภัณฑ์ นี้อาจมีความแตกต่างอย่างมากในเรื่องของความพอดีของ รูหกเหลี่ยม และประแจ
| สินค้าที่คล้ายกันของมิซูมิ กล่องรับ-ส่ง SCBS สกส. | ซีรีย์ ความคุ้มค่า อี-บ็อกซ์-จีเอสซีบีเอส อี-จีเอสซีบีเอส | |
| แหวนอีแปะ OD (ด.ด.) | M6:12.5มม. M8:17.0มม. | M6:12.0มม. M8:16.0มม. |
| ผลิตขึ้น | ในประเทศญี่ปุ่น | นอกประเทศญี่ปุ่น |
| RoHS10 | สอดคล้องตามมาตรฐาน | สอดคล้องตามมาตรฐาน |