Door Stopper K-900A

Caution
Product Description
Side-mounting type door stopper.
[Features]
· Compact and lightweight allowing it to be used in a wide range of applications.
· Side-mount type.
· Can be locked securely, even if the floor surface is a little uneven.
· Materials: Main body / hot-rolled steel plate (SPHC); Grounding section / rubber.
· Surface finish: Zinc plating chromate treatment (MFZn-C).
[Applications]
· For preventing doors, gates, transportation equipment, office equipment and other equipment from moving.
Wide Range Of Applications

K-900A external appearance

K-900A-S1 external appearance

K-900A-S2 external appearance

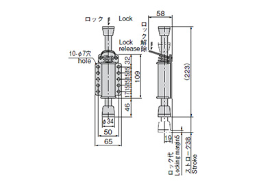
K-900A dimensional drawing

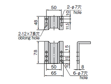
K-900A-S1 dimensional drawing

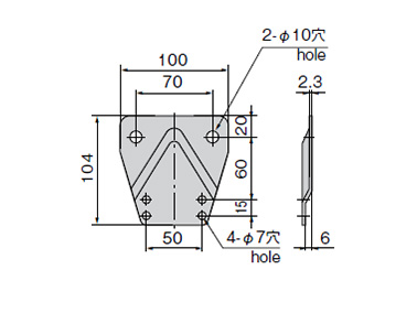
K-900A-S2 dimensional drawing