Pre-Assembly Insertion Short Nuts for Aluminum Frames - For 5 Series (Slot Width 6mm)

Caution
- Download Free! >> Economy Series Catalog (TH-EN-FY25) CLICK here
Product Description
It can be installed in a space saving manner. Compared to the post-assembly insertion nut HNTAP, the overall length is shorter, so it is effective when attaching sensors and small accessories in succession.
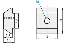
Dimensional Drawing of Nuts
| HNTJ5 Nuts PACK-HNTJ5 ![]() |
| |||||||
Specification Table of Nuts
| Nuts Model | − | M |
| HNTJ5 | − | 5 |
・To check the latest price, please click the "Check Price" button after confirming the model number.
| Nuts Model | M | ||
| HNTJ5 PACK-HNTJ5 | 3 | 4 | 5 |
Specifications/Overview of Nuts
- This Nuts is available in individual packs (starting from 1 piece) and packs (100 pieces per pack).
- Compared to the HNTTpre-assembly Nuts , the overall length is shorter, making it effective for mounting sensors and small items in succession.
- Stoppers are not provided.
Technical Information of Nuts
| Reference tightening torque (N・m) | |
|---|---|
| M | Equivalent to S10C |
| 5 | 6.8 |
Nuts for Attaching Various Aluminum Frames and Panels/Brackets (M size - L size)
| Groove Width | Frame angle | Depth h | Compatible Nuts | Thickness b (mm) of the panel/bracket to be attached to the frame | ||||||||||||||
|---|---|---|---|---|---|---|---|---|---|---|---|---|---|---|---|---|---|---|
| 0.8 | 1 | 1.2 | 1.5 | 2 | 3 | 4 | 4.5 | 5 | 6 | 8.2 | 9 | 10 | 12 | 14 | ||||
| 6 | 20 | 6 | 5-3 | M3-6 | M3-8 | M3-10 | M3-12 | M3-15 | M3-18 | |||||||||
| 5-4 | M4-6 | M4-8 | M4-10 | M4-12 | M4-15 | M4-18 | ||||||||||||
| 5-5 | - | M5-8 | M5-10 | M5-12 | M5-15 | M5-18 | ||||||||||||
Selection Support Information of Nuts
■Nuts Compatible seriesThis
product is compatible withMisumi 5 series (groove width 6 mm) aluminum frames.
5 Series

■ Nuts Difference between first-in and last-in
MISUMI offers a wide variety of aluminum frame Nuts for both pre-insertion and post-insertion use. Use them according to your needs.
First-in: Install from the end of the groove before assembly. It is wide and has little play inside the groove, making it easy to tighten the bolt.
![5 Series (groove width 6 mm) Pre-insertion short Nuts for 20, 25, and 40 square aluminum frames [1-100 pieces] Related image 1_Difference between pre-insertion and post-insertion](http://th.misumi-ec.com/en/linked/item/10302246850/img/110302246850_img_04_02.gif)
Post-insertion: The Nuts Can be installed through the groove after assembly.
![5 Series (groove width 6 mm) Pre-insertion short Nuts for 20, 25, and 40 square aluminum frames [1-100 pieces] Related image 2_Difference between pre-insertion and post-insertion](http://th.misumi-ec.com/en/linked/item/10302246850/img/110302246850_img_04_03.gif)
■ If the aluminum frame becomes stuck and cannot be removed
To remove the Nuts, hook the hex wrench into the hole in the Nuts and turn it at right angles to the groove.
5 Series Related Parts of Nuts
| Product name | Aluminum frame | bracket | Blind Joint | Frame cap | Groove cover |
|---|---|---|---|---|---|
| photograph | ![]() | ![]() | ![]() | ![]() | ![]() |
| Product page | Here | Here | Here | Here | Here |





